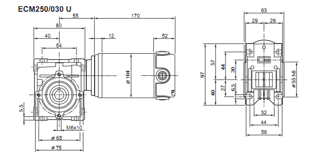
Червячный мотор-редуктор Transtecno ECM 250/030 12VDC


Червячный редуктор с мотором Transtecno ECM 250/030 12VDC
Мотор-редуктор червячный 12 вольт, 250 ватт, скорость от 60 до 600 оборотов в минуту, крутящий момент от 5 до 21 Нм.
Технические характеристики:
Напряжение питания: 12 VDC
Тип передачи: Червячная
Мощность: 250 Вт
Скорость вращения на выходе: от 60 до 600 об/мин
Крутящий момент: от 5 до 21 Нм
Сервис фактор: от 0.7 до 2.6
Передаточные числа: 5, 7.5, 10, 15, 20, 25, 30, 40, 50
Вес: 5.4 кг

Выбор червячного мотор-редуктора требует внимательного анализа условий эксплуатации и технических характеристик. При подборе важно учитывать требуемый крутящий момент, скорость вращения, напряжение двигателя и передаточное число редуктора. Также необходимо учитывать направление нагрузки, габариты установки и наличие функции самоторможения, если требуется фиксированное положение в остановке. Корректно подобранный мотор-редуктор обеспечивает долгую и стабильную работу механизма без перегрузок.
Правильное подключение червячного мотор-редуктора напрямую влияет на его эффективность и срок службы. Перед включением мотор-редуктора необходимо убедиться в соответствии питания двигателя и его характеристик. Для моделей постоянного тока важно соблюдать полярность и, при необходимости, подключить контроллер или регулятор скорости. Все соединения должны быть надежными, а корпус — заземлен для безопасности. После подключения рекомендуется провести короткое тестирование под минимальной нагрузкой, чтобы убедиться в правильном вращении вала и отсутствии посторонних шумов. Следуя этим рекомендациям, можно обеспечить стабильную и долговечную работу червячного мотор-редуктора в любых приложениях — от конвейеров и автоматических ворот до промышленной автоматизации и робототехники.
- ООО "Комплект Интеграция", г. Санкт-Петербург, г. Колпино, ул. Павловская, д. 82А, 7Н, 196650
- +7 (812) 426-11-42
- info@kit-integration.ru
Пн-Пт 9:00-17:30
График работы
Сб Вс - Выходной